

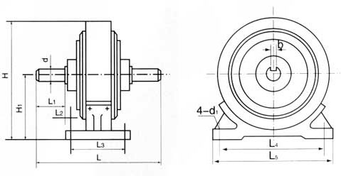
規格型號 | 額定轉矩Nm | 額定電流A | 滑差功率w | 磁粉用量g | 冷卻方式 | 外形尺寸 | 軸聯接尺寸 | 機座安裝尺寸 | ||||||||
H | L | d(h) | b | L1 | L2 | L3 | L4 | L5 | H1 | d1 | ||||||
CJ-0.6 | 6 | 1 | 65 | 18 | 自然 | 140 | 135 | 12 | 4 | 20 | 18 | 60 | 110 | 125 | 75 | 6.5 |
CJ-1.2 | 12 | 1 | 80 | 35 | 自然 | 166 | 180 | 15 | 5 | 30 | 25 | 70 | 155 | 180 | 90 | 9 |
CJ-2.5 | 25 | 1.5 | 130 | 60 | 散熱筋 | 215 | 226 | 20 | 6 | 38 | 45 | 60 | 165 | 200 | 120 | 9 |
CJ-5 | 50 | 2.3 | 290 | 100 | 散熱筋 | 240 | 286 | 25 | 8 | 55 | 46 | 84 | 192 | 224 | 130 | 11 |
CJ-10 | 100 | 2.5 | 450 | 150 | 散熱筋 | 314 | 360 | 30 | 10 | 65 | 60 | 110 | 255 | 314 | 170 | 11 |
CJ-20 | 200 | 2.5 | 720 | 300 | 散熱筋 | 368 | 358 | 35 | 10 | 60 | 59 | 120 | 285 | 335 | 200 | 13 |
CJ-40 | 400 | 3 | 1000 | 400 | 散熱筋 | 418 | 458 | 45 | 14 | 95 | 24 | 220 | 300 | 380 | 220 | 13 |
CJ-50 | 500 | 3 | 1100 | 450 | 散熱筋 | 418 | 458 | 45 | 14 | 95 | 24 | 220 | 300 | 380 | 220 | 13 |
磁粉離合器是根據電磁原理和利用磁粉傳遞轉矩的。具有激磁電流和傳遞轉矩基本成線性關系。在同滑差無關的情況下能夠傳遞一定的轉矩,具有響應速度快、結構簡單、無污染、無噪音、無沖擊振動節約能源等優點。磁粉離合器是一種多用途、性能優越的自動控制元件。
計算公式如下:
實際滑差功率P=2×3.14×M×n/60=F·V(單位:W)
式中:M ----- 實際工作轉矩(N·m) F ----- 張力(N)
n ----- 滑差轉速(r/min) V ----- 線速度(m/s)
磁粉離合器的應用范圍
磁粉離合器被廣泛應用于造紙、印刷、 塑料、橡膠、紡織、印染、電線電纜、冶金以及其他有關卷取加工行業中的放卷和收卷張力控制,此外磁粉離合器還可用于緩沖起動、過載保護、調速等。




蘇公網安備 32062102000172號